Volume 14.680 m³/h
Dimensions Ø 77 cm
Puissance 1 CV
Munters EMT30 est un ventilateur axial conçu pour les applications agricoles et industrielles où une ventilation continue, puissante et à faible consommation est requise. Avec un débit d'air élevé et une efficacité énergétique optimisée, ce ventilateur à jet assure le contrôle du microclimat dans les serres , les fermes et les hangars de production .
Ce circulateur d'air est équipé d' un double filet de protection pour assurer une sécurité maximale pendant le fonctionnement et empêcher l'entrée d'objets étrangers.

Le modèle EMT30 0,75 CV est équipé d' un moteur électrique à haut rendement avec transmission par courroie , associé à un ventilateur à six pales d'un diamètre de 770 mm . Il génère un débit d'air allant jusqu'à 14 680 m³/h avec une pression statique nulle, maintenant la consommation électrique en dessous de 870 W. L'efficacité aérodynamique est de 17,8 m³/Wh , assurant un équilibre optimal entre performances et consommation. Le niveau sonore est de 66,7 dB(A) , adapté même aux environnements sensibles au bruit. L'unité est conçue pour fonctionner dans des environnements avec des températures allant jusqu'à 50°C .


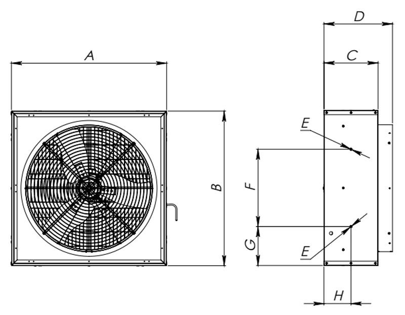
| À | B | C | D | ET | F | G | H | |
| EMT30 | 950 mm | 950 mm | 331 mm | 420 mm | M8 | 475 mm | 239 mm | 166 mm |
La transmission par courroie réduit les contraintes mécaniques sur les composants internes, améliorant ainsi l'efficacité et la longévité du moteur. Il permet un fonctionnement plus silencieux et plus uniforme , optimisant les performances du ventilateur même dans des conditions difficiles.
L'ensemble ventilateur est conçu avec des pales à profil aérodynamique , équilibrées statiquement et dynamiquement pour assurer la stabilité mécanique et l'absence de vibrations. La conception autonettoyante maintient une efficacité de débit élevée même dans des environnements poussiéreux ou humides.

La géométrie Venturi et le profil des pales génèrent un flux d'air concentré et longue distance , parfait pour la recirculation horizontale de l'air dans les structures de grand volume. Cela améliore la répartition de la chaleur et réduit les zones de stagnation.
Tous les ventilateurs EMT30 sont testés selon la norme ANSI/AMCA 210-85 au laboratoire Munters. La validation indépendante par le laboratoire BESS (Université de l'Illinois) confirme les performances aérodynamiques réelles, garantissant la fiabilité et la conformité aux exigences techniques les plus strictes.
Le volet en acier galvanisé garantit une résistance maximale et une étanchéité hermétique, évitant toute dispersion d'air. Le système centrifuge breveté assure une ouverture stable, sans besoin d'entretien. Des matériaux résistants aux UV , un moteur à haut rendement et une grille anti-vibration complètent un presse-agrumes conçu pour durer et consommer moins.
Dans les environnements agricoles, l’humidité élevée, le pH acide et les produits chimiques agressifs accélèrent la corrosion des métaux. Pour répondre à ces défis, Munters a développé Munters Protect , un matériau innovant pour pales de ventilateurs plus résistant à la corrosion que l'acier inoxydable AISI 430 et le métal pré-peint. Fruit de processus de production avancés, il offre une plus grande durabilité , fiabilité et performances dans les conditions les plus critiques. Les images suivantes montrent la comparaison après 700 heures d'exposition au brouillard salin : les lames en acier inoxydable SS 430 (à gauche) présentent des signes évidents d'usure, tandis que les lames Munters Protect (à droite) conservent un aspect sain et durable .


| Modèle | EMT30 AC 0,5 CV |
| Code | 2606010 |
| Régime | 400 V |
| Moteur | Colombie-Britannique |
| Pouvoir | 1 CV |
| Transmission | Ceinture |
| Diamètre du ventilateur | 77 cm |
| Matériel | Munters Protect |
| Nombre de lames | 6 |
| Débit d'air maximal | 14 680 m³/h |
| Consommation maximale | 870 W |
| Température de fonctionnement maximale | 50°C |
| Pression de service maximale | 50 Pa |
| Isolation | F |
| Protection | IP55 |
| Bruit | 66,7 dB(A) |
| Dimensions | 95 x 95 x 42 cm |
| Poids | 44 kg |
| Modèle | EMT30 AC 0,5 CV |
| Code | 2606010 |
| Régime | 400 V |
| Moteur | Colombie-Britannique |
| Pouvoir | 1 CV |
| Transmission | Ceinture |
| Diamètre du ventilateur | 77 cm |
| Matériel | Munters Protect |
| Nombre de lames | 6 |
| Débit d'air maximal | 14 680 m³/h |
| Consommation maximale | 870 W |
| Température de fonctionnement maximale | 50°C |
| Pression de service maximale | 50 Pa |
| Isolation | F |
| Protection | IP55 |
| Bruit | 66,7 dB(A) |
| Dimensions | 95 x 95 x 42 cm |
| Poids | 44 kg |